Lifting cylinder system is very important parts for dump semi trailer, it directly determines the lifting capacity of the dump trailer, so choose the suitable lifting cylinder system is very important. Here are FC214-5-9030 model lifting cylinder detail for your reference, hope could help you.
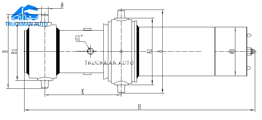
FC214-5-9030 Lifting Cylinder System Main Specification.

|
Description |
Data |
Code |
|
Model |
FC214-5-9030 |
/ |
|
Cylinder Diameter |
214 |
/ |
|
Rated Pressure |
18Mpa |
/ |
|
Lifting Height |
9030mm |
/ |
|
Center Distance |
468mm |
K |
|
Installation Distance |
486mm |
/ |
|
Full Length |
2270mm |
H |
|
Upper File Width |
360/490mm |
A1/A |
|
Bottom Width |
270/402mm |
B1/B |
|
Shaft Diameter |
65φ |
/ |
|
Weight |
640kg |
/ |
|
Outer Protect Cover |
273mm |
D |
|
Hole |
G1 |
M |

Now the lifting cylinder system have many brand, the famous like HYVA, PERMCO brand etc, with very durable quality and there are lot of after sales service center in local, spare parts could easier get.
So How To Choose The Suitable Lifting Cylinder System For Dump Semi Trailer ?
-. The Length Of Dump Semi Trailer.
Like the dump semi trailer total length reach to 10500-12000mm, thenlifting system lifting height need reach to 9000mm.
-. The Loading Capacity Of Dump Semi Trailer.
The lifting cylinder diameter more bigger the dump semi trailer could lifting more cargoes, so loading 50-70 tons, the lifting cylinder system diameter reach to 214mm.
-. Lifting Cylinder System Brand.
The famous brand lifting cylinder system price maybe a little higher, but it could save the maintenance cost in the future, also the after sales service of famous brand lifting cylinder is very convenient compare with other brand. Suggest choose HYVA, PERMCO brand for dump semi trailer.